- Manufactured from high strength copper alloy for maximum conductivity and corrosion resistance
- For use when joining a wide range of copper conductors to equipment pads or bus bars
- Bronze screw and pressure bar provide uniform clamping pressure on conductor
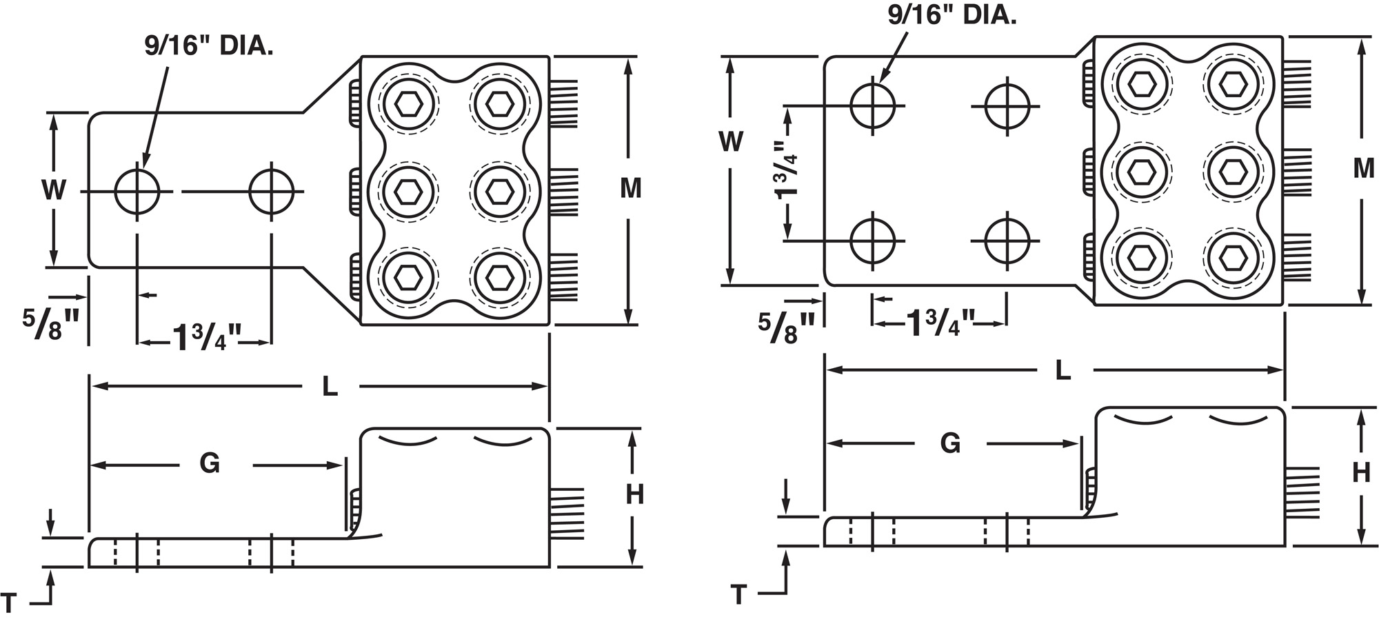
- Two-hole mounting pad allows for maximum surface contact in heavy duty applications
- Tandem set screws provide superior mechanical performance
- Annular serrations in conductor grooves provide improved mechanical performance
- Inspection hole allows for visual confirmation of proper cable insertion
- Hex head screws can be furnished by adding suffix -HH to the catalog number
- For tin plating, suffix catalog number with -TN
VVL3-21797
Bronze Vi-Tite Terminal Lug for Three Copper Conductors - Two Hole Tongue 1000 kcmil - 1500 kcmil
| L (in.) | 7.75 |
| M (in.) | 6.00 |
| W (in.) | 2.75 |
| H (in.) | 2.31 |
| G (in.) | 3.13 |
| T (in.) | 0.56 |
| Mounting Bolt Size | 1/2" |
| Hex Size | 1/2" |
No Downloads Found
SINCE 1928 MADE IN USA

