- Manufactured from high strength copper alloy
- Furnished with silicon bronze bolts, nuts, and lock washers for corrosion resistance
- Captive bolt design permits single wrench installation
- Single bolt clamp secures connector to threaded stud
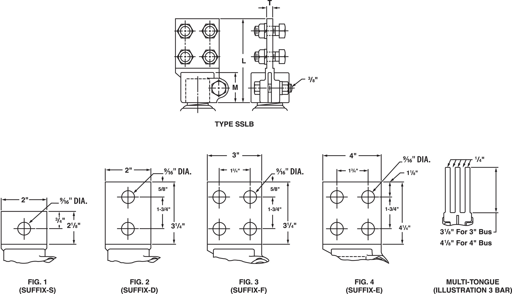
- Drilling in pad conforms to NEMA standards for 1/2 hardware
- Silicon bronze tongue mounting hardware is supplied
- For tin plating, suffix the catalog number with -TN
SSLB-1512-F
Bronze Stud Connector for Single Bus Bar 1 1/2"-12 Stud Thread Size
| L (in.) | 5.13 |
| M (in.) | 1.50 |
| T (in.) | 0.25 |
| Bolt Size | 3/8" |
No Downloads Found
SINCE 1928 MADE IN USA

