


- Manufactured from high strength aluminum alloy extrusion
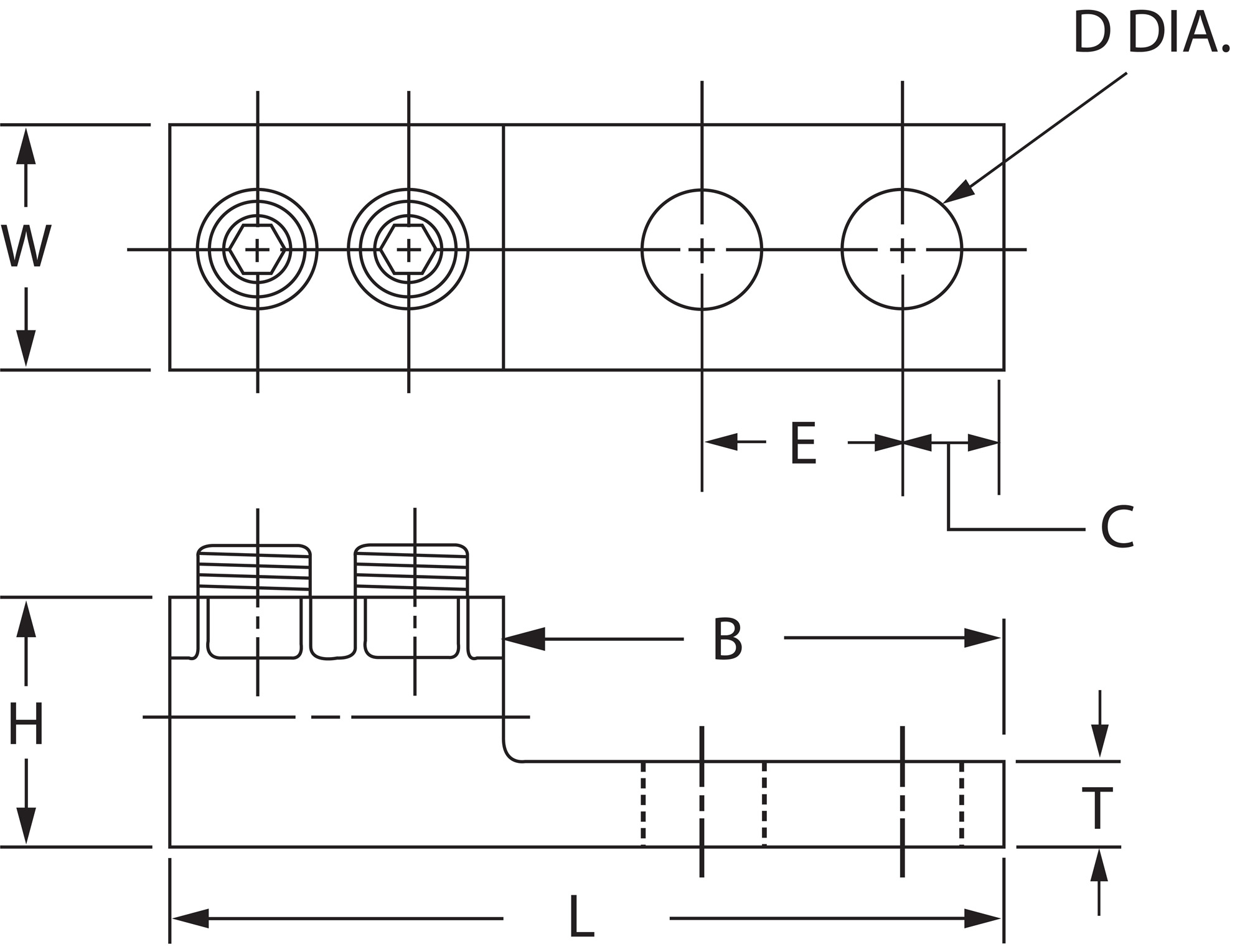
- For use with one copper or aluminum conductor
- Electro-tin plated to ensure minimum contact resistance and protection against corrosion when used with copper wire
- Two-hole mounting pad allows for maximum surface contact in heavy duty applications
- Tandem set screws provide superior mechanical performance
- Rated for 600 V, 90°C applications
- The use of oxide inhibitor is recommended for all aluminum terminations
SINCE 1928 MADE IN USA

