- Designed for traction motor applications
- Cast out of pure copper alloy for high conductivity
- Side formed design allows for conductor offset from mounting surface
- Electro-tin plated for corrosion resistance
- Suitable for installation with existing hydraulic crimping tools
- For blank tongue, add suffix -U to the catalog number
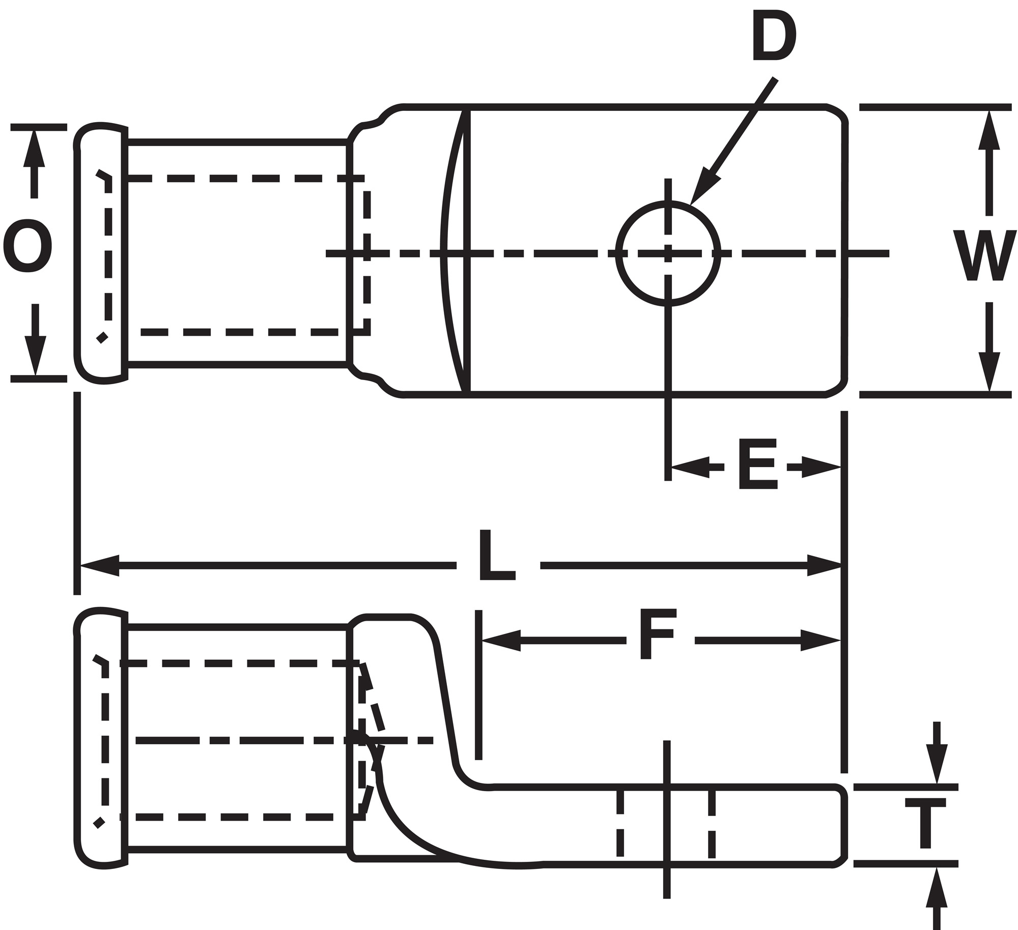
LL-41157-S-SF
Cast Copper Heavy-Duty Lug for DLO Cable - One Hole Tongue, Side Formed 275/24
| L (in.) | 2.13 |
| F (in.) | 1.00 |
| E (in.) | 0.44 |
| O (in.) | 0.72 |
| W (in.) | 0.81 |
| T (in.) | 0.22 |
| G - Bolt Size | 3/8" |
No Downloads Found
SINCE 1928 MADE IN USA

