



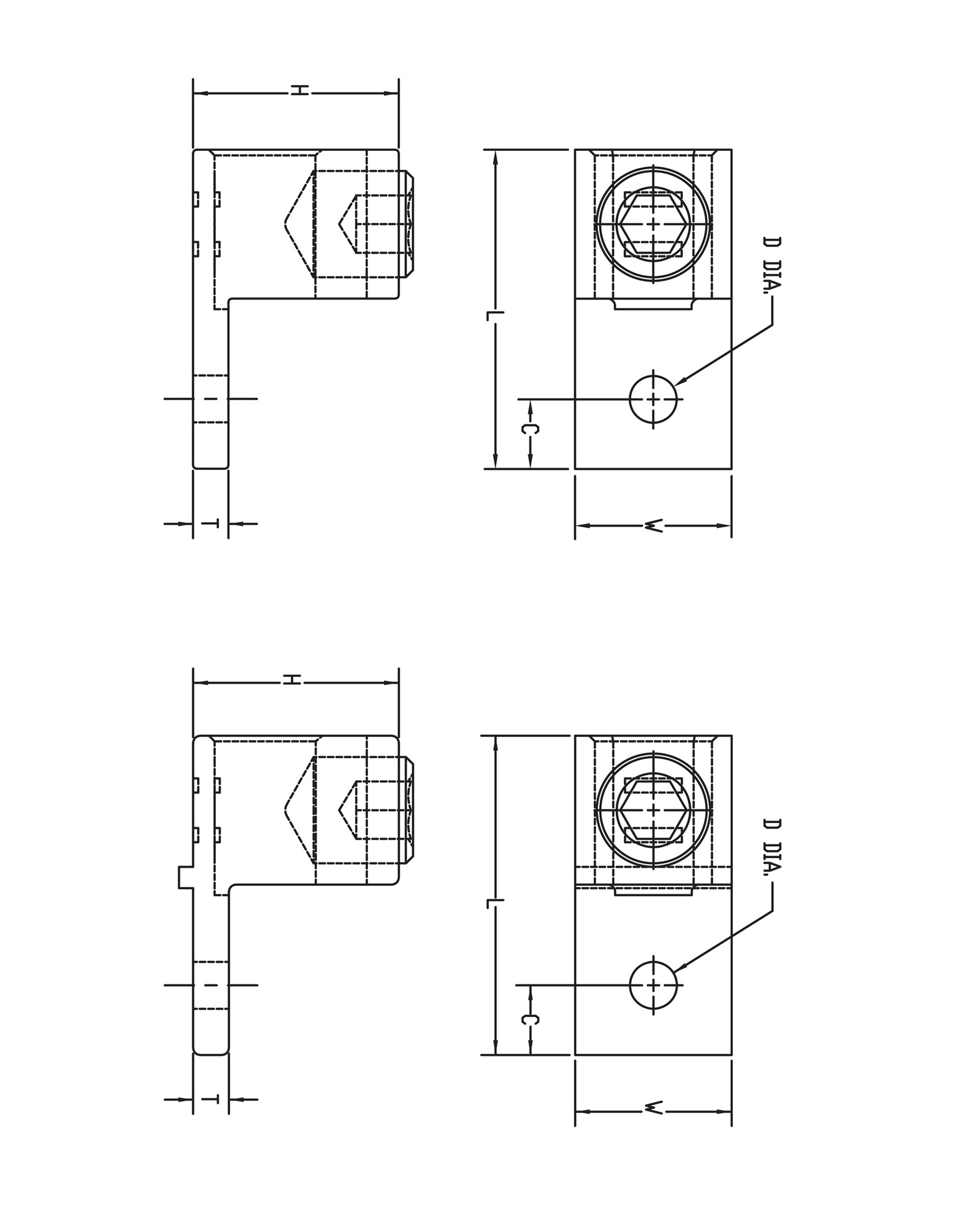
- Manufactured from high strength aluminum alloy extrusion
- For use with one copper or aluminum conductor
- Electro-tin plated to ensure minimum contact resistance and protection against corrosion when used with copper wire
- Connectors are rated for 600 V, 90°C applications
- The use of oxide inhibitor is recommended for all aluminum terminations
- UL listed only
SINCE 1928 MADE IN USA

