

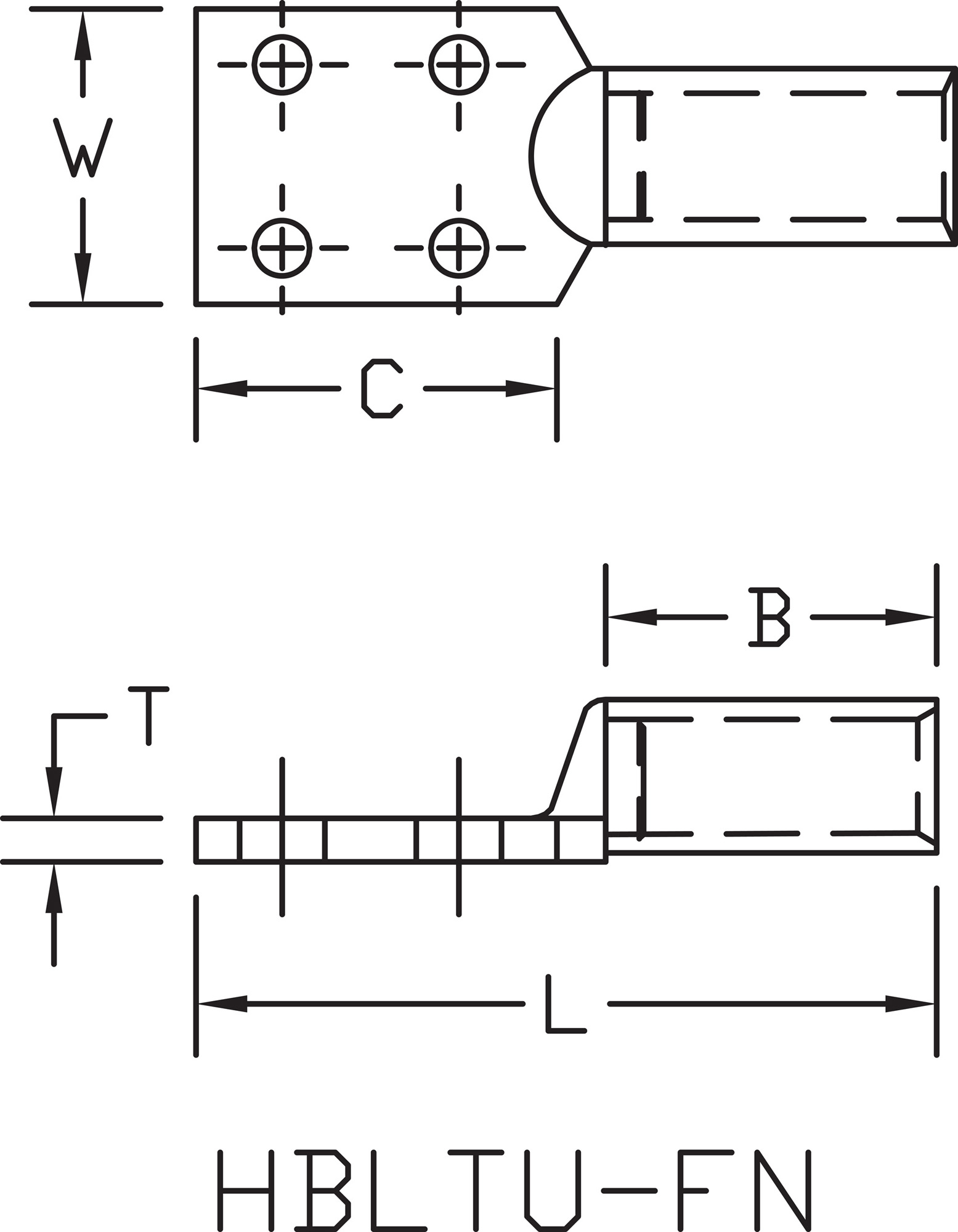
- Manufactured from heavy wall, high conductivity, seamless copper tubing and copper alloy cast pads
- Tin-plated to inhibit corrosion
- Beveled entry for easy cable insertion
- Closed transition protects end of cable from environmental conditions
- Long barrel provides high pull out force and added secureness for improved mechanical and electrical properties
- Four-hole NEMA mounting pad assures maximum secureness and surface contact area
SINCE 1928 MADE IN USA

