FKLA-C2-D

Aluminum Compression Terminal - Two Hole Tongue Side Formed 2 AWG

  • Manufactured from high strength aluminum alloy
  • For aluminum, copper, or ACSR conductors
  • Connectors are pre-filled with oxide inhibitor 
  • Completely closed transitions protect the end of cable from environmental hazards
  • Two-hole mounting pad assures maximum secureness
  • Three common barrel O.D. sizes accommodate a range from #10 Str. – 500 kcmil
  • Requires only three installation dies to crimp 15 conductor ranges
  • For tin plating, suffix the catalog number with “-TN”
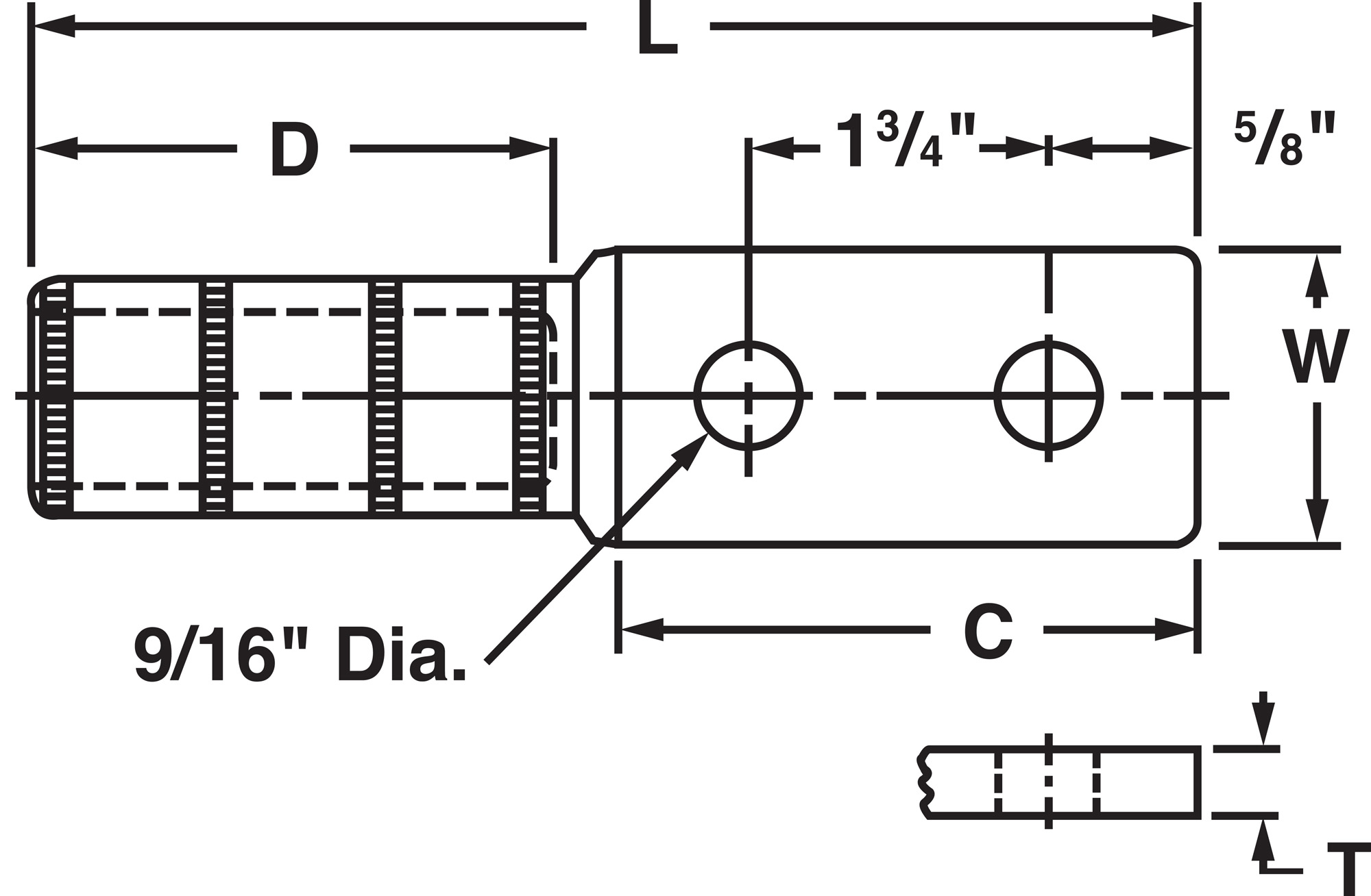
C (in.)3.38
D (in.)1.5
L (in.)5.44
Tongue Thickness0.31
W (in.)1
Die SizeBG
5/8
243

No Downloads Found