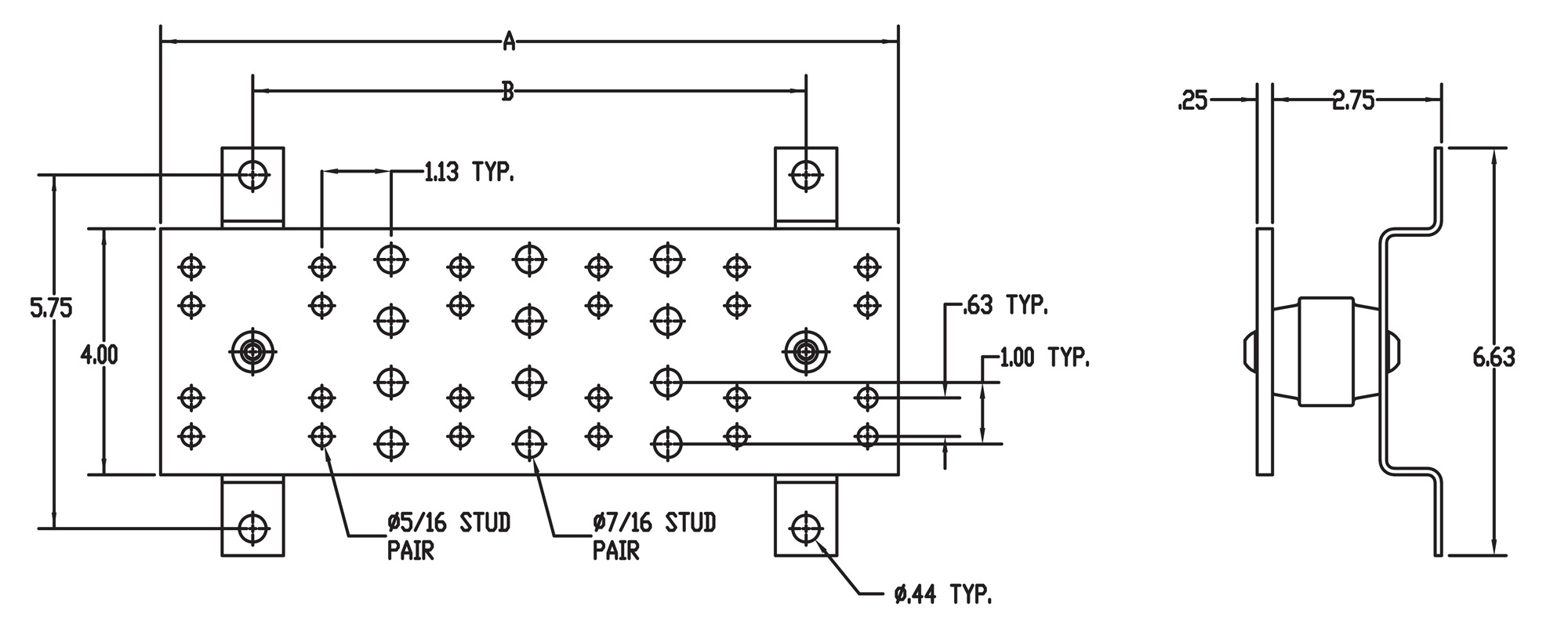
CGB-12X4-MB

Copper Grounding Bar - 4” Wide

No description available.

A - Length12”
B - Mounting Width
7/16" Hole Pair QTY6
5/16" Hole Pair QTY12
Weight LBS.4.70

No Downloads Found