BBLS-4/0D

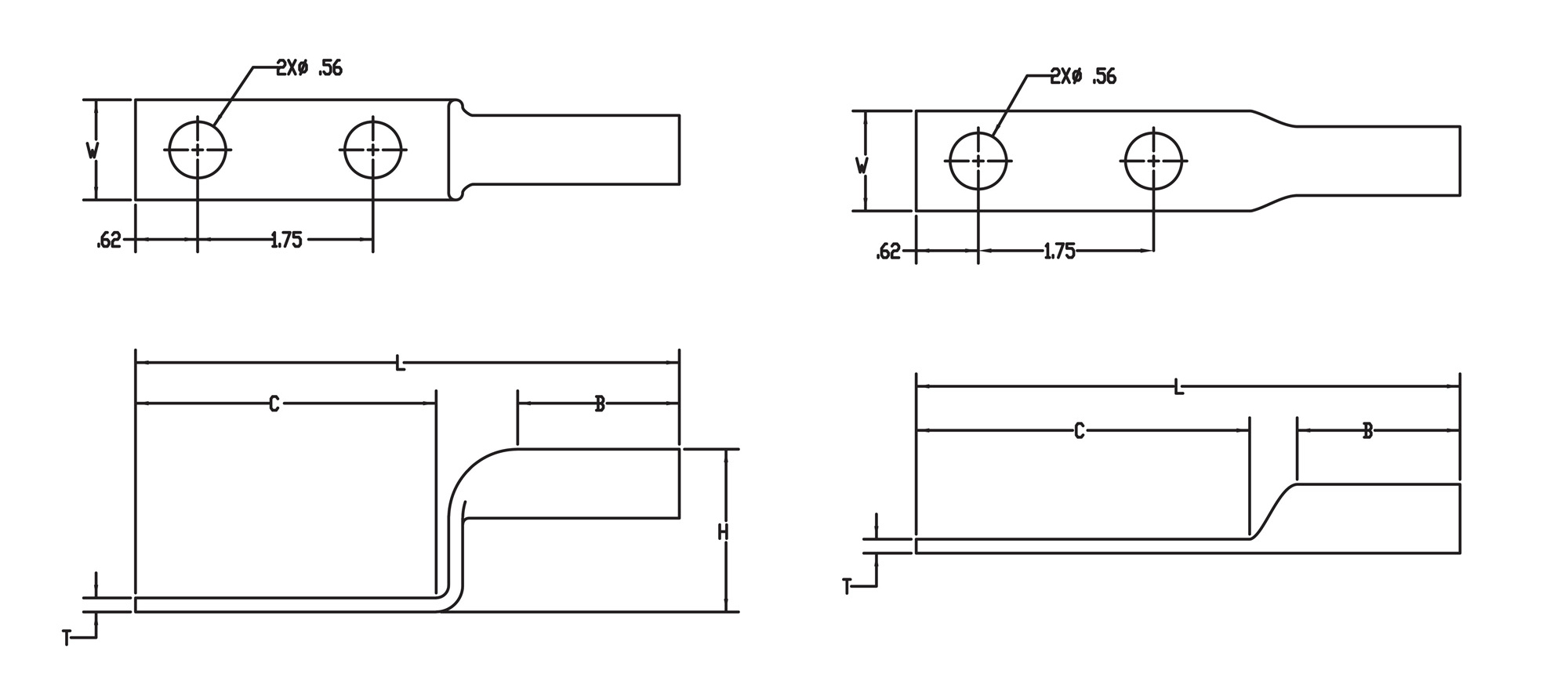
Copper Compression Lug - Long Barrel, Two Hole Stacking Lugs with Closed Transition

No description available.

W (in.)1.00
C (in.)3.00
T (in.)0.14
B (in.)1.63
L (in.)5.43
H (in.)1.63
Color CodePurple